東莞市望輝機械有限公司
http://www.wlsfjw.cn/
電 話:13923413250
郵 ?箱:xwh@xwhcnc.com
地 ?址:東莞市大朗鎮犀牛陂村雅瑤街(瓦窯街)35號
最近幾年機械加工行業中對產品以及零件需求量呈現爆炸式增長,這些工件往往都需要大批量的鉆攻中心機床來完成,與此同時工裝夾具設計的好與壞直接關系到加工效率和加工效果。本次我們就為您介紹一些非常實用的工裝夾具設計方案。工裝夾具設計一般是在零件的機械加工工藝過程制訂之后按照某一工序的具體要求進行的。制訂工藝過程,應充分考慮夾具實現的可能性,而設計工裝夾具時,如確有必要也可以對工藝過程提出修改意見。工裝夾具的設計質量的高低,應以能否穩定地保證工件的加工質量,生產效率高,成本低,排屑方便,操作安全、省力和制造、維護容易等為其衡量指標。
一、工裝夾具設計的基本原則
1、滿足使用過程中工件定位的穩定性和可靠性;
2、有足夠的承載或夾持力度以保證工件在工裝夾具上進行的加工過程;
3、滿足裝夾過程中簡單與快速操作;
4、易損零件必須是可以快速更換的結構,條件充分時最好不需要使用其它工具進行;
5、滿足夾具在調整或更換過程中重復定位的可靠性;
6、盡可能的避免結構復雜、成本昂貴;
7、盡可能選用標準件作為組成零件;
8、形成公司內部產品的系統化和標準化。
二、工裝夾具設計基本知識
一個優良的機床夾具必須滿足下列基本要求:
1、保證工件的加工精度保證加工精度的關鍵,首先在于正確地選定定位基準、定位方法和定位元件,必要時還需進行定位誤差分析,還要注意夾具中其他零部件的結構對加工精度的影響,確保夾具能滿足工件的加工精度要求。
2、提高生產效率專用夾具的復雜程度應與產能情況相適應,應盡量采用各種快速高效的裝夾機構,保證操作方便,縮短輔助時間,提高生產效率。
3、工藝性能好專用夾具的結構應力求簡單、合理,便于制造、裝配、調整、檢驗、維修等。
4、使用性能好工裝夾具應具備足夠的強度和剛度,操作應簡便、省力、安全可靠。在客觀條件允許且又經濟適用的前提下,應盡可能采用氣動、液壓等機械化夾緊裝置,以減輕操作者的勞動強度。工裝夾具還應排屑方便。必要時可設置排屑結構,防止切屑破壞工件的定位和損壞刀具,防止切屑的積聚帶來大量的熱量而引起工藝系統變形。
5、經濟性好專用夾具應盡可能采用標準元件和標準結構,力求結構簡單、制造容易,以降低夾具的制造成本。因此,設計時應根據訂單及產能情況對夾具方案進行必要的技術經濟分析,以提高夾具在生產中的經濟效益。
三、工裝夾具設計規范化概述
1、工裝夾具設計的基本方法與步驟
設計前的準備工裝夾具設計的原始資料包括以下內容:
a)設計通知單,零件成品圖,毛坯圖和工藝路線等技術資料,了解各工序的加工技術要求,定位和夾緊方案,前工序的加工內容,毛坯情況,加工中所使用的機床、刀具、檢驗量具,加工余量和切削用量等;
b)了解生產批量和對夾具的需用情況;
c)了解所使用機床的主要技術參數、性能、規格、精度以及與夾具連接部分結構的聯系尺寸等;
d)夾具的標準料庫存情況。
2、工裝夾具設計考慮的問題
夾具設計一般結構單一,給人的感覺結構不是很復雜,尤其現在液壓夾具的大行其道,使其原有的機械結構大大簡化,但是如果設計過程中不加以詳細考慮必然會出現不必要的麻煩:
a)被加工件的毛坯余量。造成毛坯尺寸過大,產生干涉。所以在設計之前一定要準備毛坯圖。留出足夠的空間。
b)夾具的排屑暢通性。設計時由于機床的加工空間的有限性,夾具往往被設計的空間比較緊湊,這時往往就會忽略在加工過程產生的鐵屑在夾具死角處存積,包括切屑液的流出不暢,給以后加工帶來很多麻煩。所以在實際之初就應考慮加工過程中出現的問題,畢竟夾具是以提高效率,方便操作為本的。
c)夾具的整體敞開性。忽略敞開性,造成操作者裝卡困難,費時費力,設計大忌。
d)夾具設計的基本理論原則。每套夾具都要經歷無數次的夾緊,松開動作,所以可能在開始都能達到用戶要求,但是加具應該有它的精度保持性,所以不要設計一些有悖原理的東西。即使僥幸當下可以,也不會有長久的持續性。一個好的設計應該經的起時間的錘煉的。
e)定位元件的可更換性。定位元件磨損嚴重,所以應考慮更換快捷和方便。最好不要設計成較大的零件。夾具設計經驗的積累很重要,有時設計是一回事,在實際應用中又是一回事,所以好的設計是一個不斷積累和總結的過程。
常用的工裝夾具按照功能性主要分為以下幾種:
01夾模
02鉆孔、銑面工裝
03數控、儀表夾頭
04試氣、試水工裝
05切邊、沖孔工裝
06焊接工裝
07拋光治具
08裝配工裝
09移印,激光刻字工裝
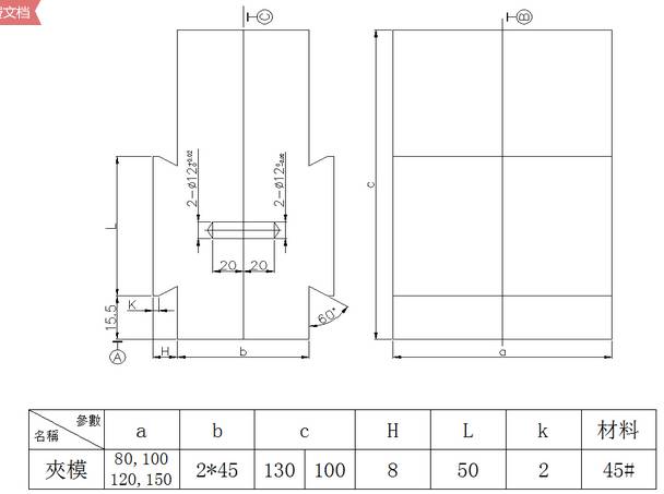
01夾模
定義:用產品外形定位裝夾的工具

設計要點:
1、此類夾模主要用于虎鉗上,其長度可以根據需要截??;
2、夾模上可以設計其他輔助定位裝置,一般采用焊接方式連接夾模;
3、上圖為簡圖,模腔結構尺寸由具體情況確定;
4、在動模上的適當位置緊配直徑12的定位銷,定模相應位置的定位孔滑動配合定位銷;
5、裝配型腔在設計時需在無收縮的毛坯圖檔的外形面基礎上偏移放大0.1mm。
02鉆孔、銑面工裝

設計要點:
1、如有必要,可在固定芯及其固定板上設計一些輔助定位裝置;
2、上圖為結構簡圖,實際情況需根據產品結構做相應設計;
3、汽缸根據產品大小和加工時受力情況而定,常用SDA50X50;
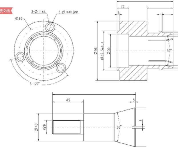
03數控、儀表夾頭

A數控夾頭
內束夾頭
設計要點:
1、上圖未標識尺寸依據實際產品的內孔尺寸結構而定;
2、與產品內孔定位接觸的外圓在制作時需留單邊0.5mm的余量,最后裝到數控機床上在精車到尺寸,防止淬火過程導致的變形和偏心;
3、裝配部分的材料推薦使用彈簧鋼,拉桿部分45#;
4、拉桿部分的螺紋M20為常用螺紋,可根據實際情況調整該螺紋
儀表內束夾頭

設計要點:
1、上圖為參考圖示,裝配尺寸和結構依據實際產品的外形尺寸結構而定;
2、材料使用45#,淬火處理。
儀表外束夾頭

設計要點:
1、上圖為參考圖示,實際尺寸依據產品的內孔尺寸結構而定;
2、與產品內孔定位接觸的外圓在制作時需留單邊0.5mm的余量,最后裝到儀表車床上在精車到尺寸,防止淬火過程導致的變形和偏心;
3、材料使用45#,淬火處理。
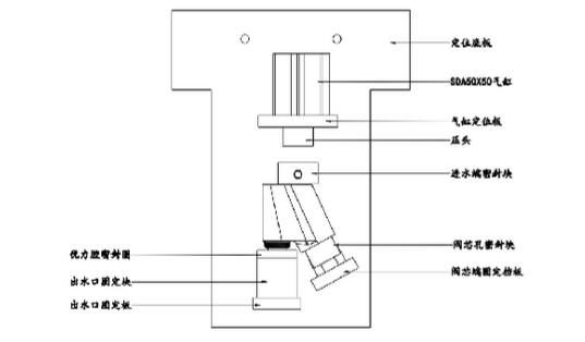
04試氣工裝

設計要點:
1、上圖是試氣工裝的參考圖,具體結構需依據產品的實際結構來設計,思路就是用盡可能簡單的方式密封產品,讓需檢測密封的部分充滿氣體來確認其密封性;
2、汽缸的大小可根據產品的實際大小來調整,同時也需考慮汽缸的行程是否能滿足取放產品的便捷;
3、與產品接觸的密封面一般采用優力膠,NBR膠圈之類具有良好壓縮量的材料,同時注意如有與產品外觀面接觸的定位塊盡量使用白膠類的
塑料塊并且在使用過程中蓋上棉布防止碰傷產品外觀;
4、設計時需考慮產品的定位方向,防止內漏的氣體憋在產品型腔內部而誤檢的情況出現。
05沖孔工裝

設計要點:上圖為沖孔工裝的常用結構。底板作用為方便固定在沖床的工作臺;定位塊作用為固定產品,具體結構按產品的實際情況而設計,中心點圍繞能方便安全的取放產品;擋板作用在方便產品從沖刀上脫離;支柱起固定擋板的作用。上述幾個部位的裝配位置和尺寸可按產品的實際情況設計。
06焊接工裝
焊接工裝主要起固定焊接組件中各零部件的位置,控制焊接組件中各零部件的相對尺寸,其結構主要是定位塊,需根據產品的實際結構來設計。值得注意的情況在產品放置在焊接工裝上不得用工裝之間產生密封空間,防止焊接加熱過程中導致密封空間壓力過大影響零部件焊接后的尺寸。
07拋光治具



08裝配工裝
裝配工裝主要應用在組件的裝配過程中輔助定位的裝置。其設計思路為根據組件裝配的結構能便捷的取放產品,在裝配過程中不能損壞產品的外觀表面,在使用過程中能蓋上棉布來保護產品。在材料的選用上面盡量用白膠等非金屬材料。
09移印,激光刻字工裝

設計要點:根據產品實際情況的刻字要求來設計工裝的定位結構,需注意產品取放的便捷性,和產品外觀的保護,定位塊和與產品接觸的輔助定位裝置盡量采用白膠等非金屬材料。
更多關于加工方面的技術咨詢,請您點擊“技術支持”,或致電4009630833與我們的在線客服取得聯系。
|
鑫騰輝客服
|